


LHF型系列大氣回轉反吹布袋式除塵器,將旋風除塵機理和過濾式除塵機理有機組合,采用大氣或回轉風反吹方式進行清灰的新型反吹布袋式除塵器,凈化氣體由主風機排出,粉塵被阻留在濾袋外表面,隨著粉塵的不斷增厚,濾袋的阻力也不斷增大,此時除塵器的定阻值壓差控制系
服務電話:13091153069(同微信)

江蘇徐州木器廠安裝的LHF型系列大氣回轉反吹袋式除塵器,此除塵器優點:1, 維護簡單;2, “零”泄漏排放;3, 較低的壓縮空氣損耗;4, 較低的運行成本。這款反吹式脈沖袋式除塵器在家具企業、木器加工企業投入使用后,獲得非常理想結果。粉塵排放濃度一直保持在30mg/m3之下,遠遠低于行業的粉塵排放濃度75mg/m3的標準。
一、簡介
LHF型系列大氣回轉反吹袋式除塵器是我公司參考O外資料,廣泛調查征求歷年來的用戶意見,凝聚了O外各類袋式除塵器的優點研制而成,是將旋風除塵機理和過濾式除塵機理有機組合,采用大氣或回轉風反吹方式進行清灰的新型除塵裝置。一九九一年被評為優質產品,九二年被國務院環境保護委員會環保局列為O佳實用技術推廣項目。
二、工作原理
當含塵氣流進入除塵器后,先由旋風體將大顆粒粉塵分離落入灰斗,微小顆粒懸浮于氣體中通過氣流分布裝置,均勻進入過濾室彌漫于濾袋的間隙間。凈化氣體由主風機排出。粉塵被阻留在濾袋外表面,隨著粉塵的不斷增厚,除塵布袋的阻力也不斷增大,此時除塵器的定阻值壓差控制系統或定時值自控裝置發揮作用,觸發電控系統打開切換閥接通反吹氣流,通過旋轉臂上的吹口,逐個對濾袋進行反吹清灰,使濾袋阻力下降到一定的數值,維持除塵器的連續性工作。
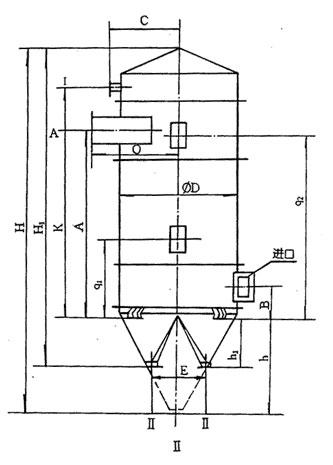
三、技術性能
|
型號參數、項目 |
過濾面積 |
濾袋參數 |
處理風量 |
重量 |
清灰機構 |
|||||
|
規格 |
數量 |
圈數 |
過濾風速 |
風量 |
減速機 |
切換閥 |
||||
|
m2 |
mm×mm |
只 |
n |
m/s |
m3/h |
T |
kw |
kw |
||
|
LHF-060 |
A |
60 |
800×2250 |
30 |
1 |
0.5-1 |
1800-3600 |
5.1 |
BWY |
Mq1-15kg |
|
B |
1-1.5 |
3600-5400 |
||||||||
|
C |
1.5-2 |
5400-7200 |
||||||||
|
LHF-080 |
A |
80 |
800×3000 |
30 |
1 |
0.5-1 |
2400-4800 |
5.8 |
||
|
B |
1-1.5 |
4800-7200 |
||||||||
|
C |
1.5-2 |
7200-9600 |
||||||||
|
LHF-120 |
A |
120 |
800×2250 |
66 |
2 |
0.5-1 |
3600-7200 |
7.35 |
||
|
B |
1-1.5 |
7200-10800 |
||||||||
|
C |
1.5-2 |
10800-14000 |
||||||||
|
LHF-160 |
A |
160 |
800×3000 |
66 |
2 |
0.5-1 |
4800-9600 |
7.98 |
||
|
B |
1-1.5 |
9600-14400 |
||||||||
|
C |
1.5-2 |
14400-19200 |
||||||||
|
LHF-240 |
A |
240 |
800×2250 |
128 |
3 |
0.5-1 |
7200-14400 |
8.75 |
||
|
B |
1-1.5 |
14400-21600 |
||||||||
|
C |
1.5-2 |
21600-28800 |
||||||||
|
LHF-310 |
A |
310 |
800×3000 |
128 |
3 |
0.5-1 |
9300-18600 |
9.7 |
||
|
B |
1-1.5 |
18600-27900 |
||||||||
|
C |
1.5-2 |
27900-37200 |
||||||||
|
LHF-380 |
A |
380 |
800×2250 |
210 |
4 |
0.5-1 |
11400-22800 |
11.4 |
||
|
B |
1-1.5 |
22800-34200 |
||||||||
|
C |
1.5-2 |
34200-45600 |
||||||||
|
LHF-500 |
A |
500 |
800×3000 |
210 |
4 |
0.5-1 |
15000-30000 |
13.6 |
||
|
B |
1-1.5 |
30000-45000 |
||||||||
|
C |
1.5-2 |
45000-60000 |
||||||||
